Muli-Star DDP
Produktfordele
- Lav vægt
- Forskellige indløbshøjder
- CFD-optimeret løbehjulHøj kemikalieresistens for alle komponenter
- Egnet til anvendelse efter fedtudskillere
- Hurtig installation
- Klar til tilslutning
- Højt anvendeligt volumen – op til 185 l
- Tilpasset dørdimension: 780 mm
Produktinformation
- Anvendelsesområder
- Efter fedtudskillere op til NS 15 – i kombination med luftbobleinjektion
- Flerfamiliehuse
- Kontorbygninger, hoteller
- Hospitaler
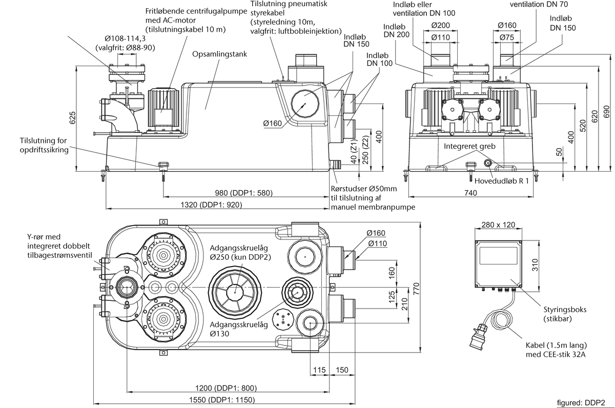
- Tilslutning til trykledning
- Speciel tilbagestrømsventil med kugle i huset
- Y-rør med udluftning og fastgørelsesskrue
- Speciel adapter DN 80 til elastisk tilslutning af trykledning med ydre rør Ø108–114,3 mm (valgfrit: 88–93 mm)
- Tilslutningsflange til afspærringsventil DN 80 PN 16
- Tank fremstillet af polyethylen
- Bundudløb R 1"
- Inspektionsåbning for nem vedligeholdelse, diameter: 130 mm (DDP1), 130 mm og 250 mm (DDP2)
- Fastgørelsessæt til opdriftssikker forankring
- Tilslutning for manuel membranpumpe DN 50
- 2 horisontale indløbsstudse, DN 150
- 2 horisontale indløbsstudse, DN 150/DN 100
- 1 vertikal indløbsstuds DN 200/DN 150
- 1 vertikal indløbsstuds DN 100/DN 70 – 1 ventilationsstuds
- Niveaustyring
- Pneumatisk niveaustyring med 10 m styrekabel
- Valgfrit med luftbobleinjektion (tilbehør)
- 2 pumpeenheder
- Trefaset motor: 400 V, 50 Hz
- Beskyttelsesklasse IP 68
- Integreret permanent motorovervågning
- Tilstopningsfrit fritløbsløbehjul
- 10 m tilslutningskabel
- Styring
- Beskyttelsesklasse IP 54
- 1,5 m kabel og CEE-stik (16 A) – DDP x.1
- 1,5 m kabel og CEE-stik (32 A) – DDP x.2
- Potentialfri gruppealarm og driftssignal
- Testet i henhold til EN 12050‑1
| Type | Motoreffekt | Nøgletal | Granu- lering | Anvendelig volume | Total vol. | Vægt | Varenr. | Downloads | |||||
| Strøm- optag | Spænding | Omdrejnings- tal | |||||||||||
| P1 | P2 | [A] | [V] | [r/min] | [mm] | Indløbs- højde Z1 | Indløbs- højde Z2 | Total indløb | [l] | [kg] | |||
| [kW] | [kW] | [l] | [l] | [l] | |||||||||
| Muli-Star DDP ECO 1.0 | 1.83 | 1.5 | 5 | 400 | 1400 | 65 | 65 | 110 | 110 | 150 | 101 | 1202.00.13 |
|
| Muli-Star DDP 1.1 | 1.83 | 1.5 | 5 | 400 | 1400 | 65 | 65 | 110 | 110 | 150 | 101 | 1202.00.01 |
|
| Muli-Star DDP 1.2 | 3.45 | 3 | 10 | 400 | 2800 | 65 | 65 | 110 | 110 | 150 | 124 | 1202.00.02 |
|
| Muli-Star DDP ECO 2.0 | 1.83 | 1.5 | 5 | 400 | 1400 | 65 | 95 | 185 | 185 | 300 | 107 | 1202.00.14 |
|
| Muli-Star DDP 2.1 | 1.83 | 1.5 | 5 | 400 | 1400 | 65 | 95 | 185 | 185 | 300 | 107 | 1202.00.04 |
|
| Muli-Star DDP 2.2 | 3.45 | 3 | 10 | 400 | 2800 | 65 | 95 | 185 | 185 | 300 | 130 | 1202.00.05 |
|
| Type | Trykhøjde | Pumpekapacitet Q ved samlet trykhøjde H | Medietemperatur [°C] | |||||||
| 4 m | 6 m | 8 m | 10 m | 12 m | 14 m | 16 m | Normal | Maximum | ||
| [m] | [l/s] | [l/s] | [l/s] | [l/s] | [l/s] | [l/s] | [l/s] | [°C] | [°C] | |
| Muli-Star DDP ECO 1.0 | 2 – 4.8 | 7.5 | 3.0 | 40 | 65 | |||||
| Muli-Star DDP 1.1 | 4 – 9.5 | 14.44 | 11.0 | 7.5 | 1.5 | 40 | 65 | |||
| Muli-Star DDP 1.2 | 6 – 16 | 15.0 | 13.3 | 11.38 | 9.4 | 7.1 | 3.51 | 40 | 65 | |
| Muli-Star DDP ECO 2.0 | 2 – 4.8 | 7.5 | 3.0 | 40 | 65 | |||||
| Muli-Star DDP 2.1 | 4 – 9.5 | 14.44 | 11.0 | 7.5 | 1.5 | 40 | 65 | |||
| Muli-Star DDP 2.2 | 6 – 16 | 15.0 | 13.3 | 11.38 | 9.4 | 7.1 | 3.51 | 40 | 65 | |
| Type | Motoreffekt | Nøgletal | Granu- lering | Anvendelig volume | Total vol. | Vægt | Varenr. | Downloads | |||||
| Strøm- optag | Spænding | Omdrejnings- tal | |||||||||||
| P1 | P2 | [A] | [V] | [r/min] | [mm] | Indløbs- højde Z1 | Indløbs- højde Z2 | Total indløb | [l] | [kg] | |||
| [kW] | [kW] | [l] | [l] | [l] | |||||||||
| Muli-Star DDP ECO 1.0 | 1.83 | 1.5 | 5 | 400 | 1400 | 65 | 65 | 110 | 110 | 150 | 101 | 1202.00.13 |
|
| Muli-Star DDP 1.1 | 1.83 | 1.5 | 5 | 400 | 1400 | 65 | 65 | 110 | 110 | 150 | 101 | 1202.00.01 |
|
| Muli-Star DDP 1.2 | 3.45 | 3 | 10 | 400 | 2800 | 65 | 65 | 110 | 110 | 150 | 124 | 1202.00.02 |
|
| Muli-Star DDP ECO 2.0 | 1.83 | 1.5 | 5 | 400 | 1400 | 65 | 95 | 185 | 185 | 300 | 107 | 1202.00.14 |
|
| Muli-Star DDP 2.1 | 1.83 | 1.5 | 5 | 400 | 1400 | 65 | 95 | 185 | 185 | 300 | 107 | 1202.00.04 |
|
| Muli-Star DDP 2.2 | 3.45 | 3 | 10 | 400 | 2800 | 65 | 95 | 185 | 185 | 300 | 130 | 1202.00.05 |
|
| Type | Trykhøjde | Pumpekapacitet Q ved samlet trykhøjde H | Medietemperatur [°C] | |||||||
| 4 m | 6 m | 8 m | 10 m | 12 m | 14 m | 16 m | Normal | Maximum | ||
| [m] | [l/s] | [l/s] | [l/s] | [l/s] | [l/s] | [l/s] | [l/s] | [°C] | [°C] | |
| Muli-Star DDP ECO 1.0 | 2 – 4.8 | 7.5 | 3.0 | 40 | 65 | |||||
| Muli-Star DDP 1.1 | 4 – 9.5 | 14.44 | 11.0 | 7.5 | 1.5 | 40 | 65 | |||
| Muli-Star DDP 1.2 | 6 – 16 | 15.0 | 13.3 | 11.38 | 9.4 | 7.1 | 3.51 | 40 | 65 | |
| Muli-Star DDP ECO 2.0 | 2 – 4.8 | 7.5 | 3.0 | 40 | 65 | |||||
| Muli-Star DDP 2.1 | 4 – 9.5 | 14.44 | 11.0 | 7.5 | 1.5 | 40 | 65 | |||
| Muli-Star DDP 2.2 | 6 – 16 | 15.0 | 13.3 | 11.38 | 9.4 | 7.1 | 3.51 | 40 | 65 | |



