Muli-Star MDP1/MWP1
Produktfordele
- Lav vægt: 31 kg
- Støjsvag og jævn drift takke være lav hastighed
- Frit gennemløb: 57 mm
- Hurtig installation
- Klar til tilslutning
- Kan installeres gennem dæksel Ø600
- Tilstopningsfrit fritløbsløbehjul
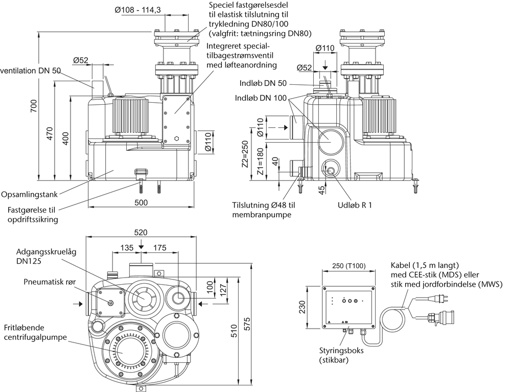
Produktinformation
- Anvendelsesområde
- Parcelhuse
- Kælderenheder
- Tank fremstillet af polyethylen
- Med bundudløb Rp 1"
- Med inspektionsåbning for nem vedligeholdelse, Ø133 mm
- Med fastgørelsessæt til opdriftssikker forankring
- Tilslutning for manuel membranpumpe DN 50
- Med 3 horisontale indløbsstudse DN 100
- Med 1 vertikal indløbsstuds DN 50/DN 100
- Med ventilationsforbindelse DN 50 til tilslutning af plastrør
- Pumpeenhed
- Trefaset motor (MDP1): 400V, 50 Hz
- Enfaset motor (MWP1): 230V, 50 Hz
- Beskyttelsesklasse IP 68
- Med tilstopningsfrit fritløbsløbehjul
- Med pneumatisk niveaustyring med 5 m styrekabel, justerbar efter indløbshøjde
- Styre- og alarmsystem
- Beskyttelsesklasse IP 54
- Med 1,5 m kabel og CEE-stik (til MDP1) samt stik med jordforbindelse (MWP1)
- Med potentialfri gruppealarm og driftssignal
- Testet i henhold til EN 12050-1
| Type | Motoreffekt | Nøgletal | Granu- lering | Anvendelig vol. | Total vol. | Vægt | Varenr. | Downloads | |||||
| Strømoptag | Spænding | Omdrejnings- tal | |||||||||||
| P1 | P2 | [A] | [V] | [r/min] | [mm] | Indløbs- højde Z1 | Indløbs- højde Z2 | Topindløb | [l] | [kg] | |||
| [kW] | [kW] | [l] | [l] | [l] | |||||||||
| Muli-Star MDP1 | 1 | 0.75 | 1.93 | 400 | 1380 | 57 | 20 | 25 | 30 | 60 | 40 | 1200.50.00 |
|
| Muli-Star MWP1 | 1.1 | 0.75 | 5.05 | 230 | 1410 | 57 | 20 | 25 | 30 | 60 | 41 | 1200.50.01 |
|
| Type | Motoreffekt | Nøgletal | Granu- lering | Anvendelig vol. | Total vol. | Vægt | Varenr. | Downloads | |||||
| Strømoptag | Spænding | Omdrejnings- tal | |||||||||||
| P1 | P2 | [A] | [V] | [r/min] | [mm] | Indløbs- højde Z1 | Indløbs- højde Z2 | Topindløb | [l] | [kg] | |||
| [kW] | [kW] | [l] | [l] | [l] | |||||||||
| Muli-Star MDP1 | 1 | 0.75 | 1.93 | 400 | 1380 | 57 | 20 | 25 | 30 | 60 | 40 | 1200.50.00 |
|
| Muli-Star MWP1 | 1.1 | 0.75 | 5.05 | 230 | 1410 | 57 | 20 | 25 | 30 | 60 | 41 | 1200.50.01 |
|



