Muli-Flex - til fritstående installation
Produktfordele
- Testet iht. EN 12050-1
- Afhængigt af pumpens udformning kan anlægget anvendes til spildevand med eller uden fækalier
- Automatisk pumpekobling for værktøjsfri montering og afmontering
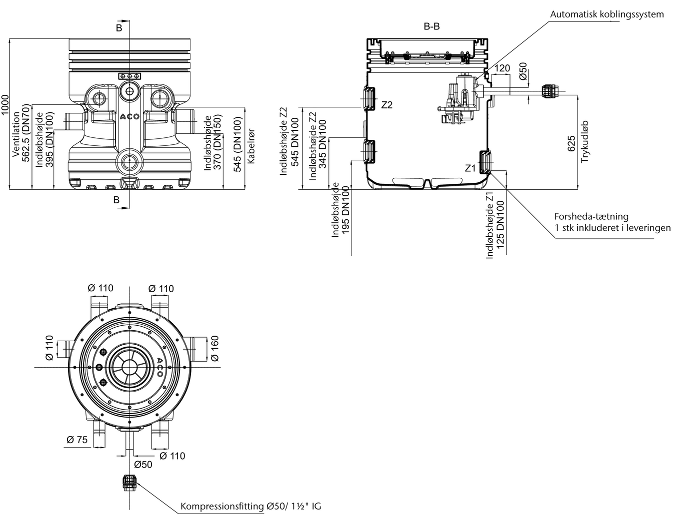
- Samlet tankvolumen: 380 liter
Produktinformation
- Anvendelse:
- Etageejendomme
- Kontorbygninger
- Industribygninger
- Vaskerum
- Parkeringskældre
- Teknikrum
- Med én eller to pumper
- Til installation i bundplade
- Tank fremstillet af polyethylen
- Stor inspektionsåbning for nem vedligeholdelse: Ø480 mm.
- Tank dimension (DxH): Ø800 x 1000 mm
- Pumpeophæng med dobbelt special kuglekontraventil, værktøjsfri montering/afmontering af pumpen via automatisk overfladevandkobling
- Tilslutning af indløbsrør (minimum driftsvolimen: 30 liter, maksimal driftsvolumen: 160 liter, indløbshøjder målt fra bunden af tanken til underkant af indløbsrør):
- 1 x indløb DN 100 Forsheda, indløbshøjde 125 mm, driftsvolumen = 30 l
- 1 x indløb DN 100 Forsheda, indløbshøjde 195 mm, driftsvolumen = 50 l
- 1 x indløb DN 100 studs, indløbshøjde 345 mm, driftsvolumen = 100 l
- 1 x indløb DN 150 studs, indløbshøjde 370 mm, driftsvolumen = 105 l
- 2 x indløb DN 100 studs, indløbshøjde 395 mm, driftsvolumen = 115 l
- 1 x indløb DN 100 Forsheda, indløbshøjde 545 mm, driftsvolumen = 170 l
- Trykledningstilslutning:
- Trykledningsudløb PE-HD: studs DN50 (Ø50 mm)
- Kompressionsfitting med adapter 1 ½" indvendigt gevind medfølger
- Ventilationstilslutning:
- Studs DN70 (ydre Ø 75 mm), egnet til tilslutning af plast- eller støbejernsrør
- Tilslutningshøjde: 437,5 mm (målt fra gulvoverkant til underkant af indløbsrør)
- Ekstra tilslutninger:
- Kabelgennemføring DN100 (ydre Ø 110 mm), 545 mm (målt fra bunden af tanken til underkant af indløbsrør)
- Manuel membranpumpe R 1 ½"
- Bundudløb til service-/nødtømning: 1"
- Samlet højde: 1000 mm




